
Miniature Bearings Australia
CCE-03810-C-V - Datasheet
MBA
Category Information
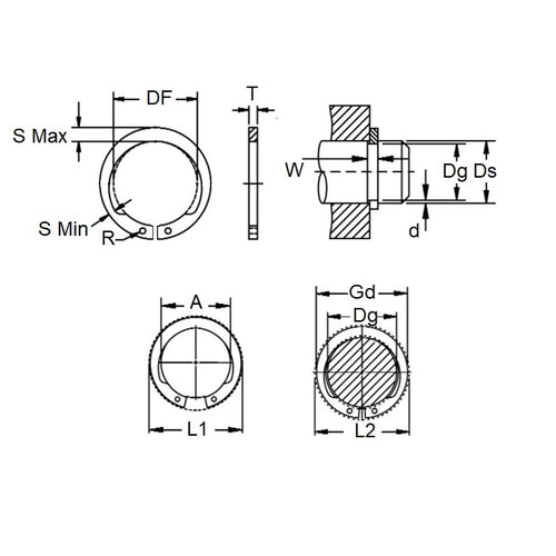
Retaining Rings - External - Circlips - InvertedInverted Circlips External Retaining Rings. N1408 / SHI / 16626 / 4100 / 5108 - Spring Steel and Stainless Steel. Retaining rings. Snap Rings (USA).
- An expanded range may be available on special order. Please enquire.
- Tapered section ring with lugs inverted on the ID to allow use in tight areas with minimal clearance.
- Less thrust load than standard circlips.
Product Data
- Shaft Diameter (Ds)
:
38.10
mm
(Equiv. 1.5 in.) - Clip Thickness (T)
1.27
mm
+/- 0.102
(Equiv. 0.05 in.) - Groove Dia. (Dg)
37.08
mm
+/- 0.051
(Equiv. 1.46 in.) - Approx. Loose Circlip ID (A) 35.23 mm
- Radial Wall (S) Approx. 2.18 mm
- Groove Width (W) 1.42 mm + 0.10 / - 0.00
- Material Carbon Steel
Product Compliance and Data
Additional Resources
Cross References
- 90213A118
- NoCor SHI-150
- N14080150
- N1408-0150
- SHI150


