
Miniature Bearings Australia
T-0381-0556-RC - Datasheet
MBA
Category Information
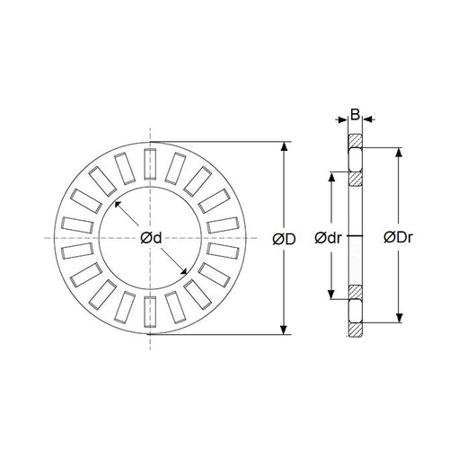
Bearings - Thrust Roller - Cage and Rollers OnlyCage and Rollers Only Thrust Roller Bearings. Washers sold separately. Match cage and roller assembly with washers from the washers category.
- Thrust roller bearings come in two parts, a caged roller bearing, and the washers sold separately.
- Some sizes have a range of washer thicknesses to choose from. Most applications will require two washers to each caged roller.
- Raceway hardness 58 HRC.
- Limiting Speeds are based on adequate oil lubrication.
- Load ratings are a guide taking into consideration ideal operating conditions.
- Dimensions given are nominal.
- Select the correct washer OD. Some washers listed here are to suit thrust ball bearings.
Product Data
- Bore (d Nom.) 
:
38.100
mm
 (Equiv. 1.5 in.)
- OD (D Nom.) 
55.550
mm
 (Equiv. 2.187 in.)
- Washer or Bearing Rollers and Cage
- Nom. Thickness (B Max) 1.981 mm
- Material Carbon Steel
Product Compliance and Data
Additional Resources
- Catalogue: Ceramic Bearings Catalogue
- Catalogue: Plastic Bearings Catalogue
- Catalogue: Standard Bearings Catalogue
- General: Bearing Cleanliness
- General: Bearing Clearances
- General: Bearing Flanges & Snap Rings
- General: Bearing Retainers (Cages)
- General: General Loads Information
- General: Lubrication
- General: Prefix & Suffix Guide
- General: Static vs Dynamic Loads
- Materials: 316 Stainless
- Materials: CASSTOP Anti-Corrosion Bearing Material
- Materials: Ceramic vs Ceramic Hybrid
- Materials: Ceramic Bearings in Vibratory Applications
- Materials: Ceramic Hybrid Bearings in Vibratory Applications
- Materials: General Bearing Materials
- Materials: Magnetism & Bearings
- Precision: 316 Stainless & Plastic Bearing Tolerances
- Precision: ABEC Basic Information
- Precision: Precision Bearing Tolerances
- Problem Solving: Bearing Failure
- Problem Solving: Fatigue (L10 Life)
- Problem Solving: Noise
Cross References
- 5909K41
- INA540
- INA-540
 
 
 


