Miniature Bearings Australia - MBA Minibearings
Miniature Bearings Australia

CCE-03175-S15-V - Datasheet

MBA

Category Information

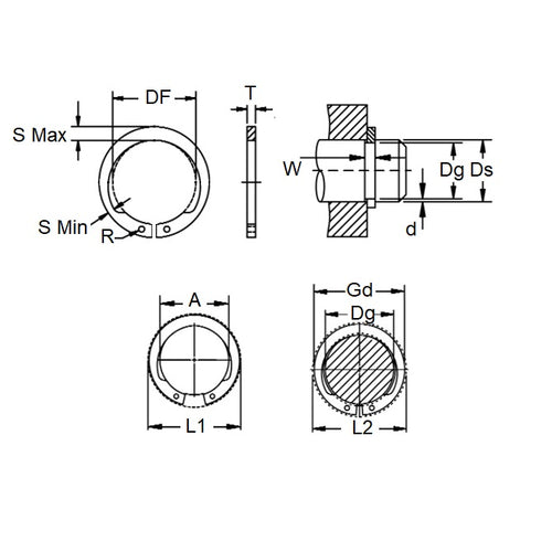
Retaining Rings - External - Circlips - Inverted

Inverted Circlips External Retaining Rings. N1408 / SHI / 16626 / 4100 / 5108 - Spring Steel and Stainless Steel. Retaining rings. Snap Rings (USA).

  • An expanded range may be available on special order. Please enquire.
  • Tapered section ring with lugs inverted on the ID to allow use in tight areas with minimal clearance.
  • Less thrust load than standard circlips.

Product Data

  • Shaft Diameter (Ds) : 31.75 mm
    (Equiv. 1.25 in.)
  • Clip Thickness (T) 1.27 mm +/- 0.102
    (Equiv. 0.05 in.)
  • Groove Dia. (Dg) 29.87 mm +/- 0.051
    (Equiv. 1.176 in.)
  • Approx. Loose Circlip ID (A) 29.36 mm
  • Radial Wall (S) Approx. 2.01 mm
  • Groove Width (W) 1.42 mm + 0.10 / - 0.00
  • Material Stainless Steel Grade PH15-7 Mo
Country of Origin: US

Product Compliance and Data

Additional Resources

Cross References

  • NoCor SHI-125-SS
  • N14080125KSF
  • N1408-0125KSF
  • SHI125SS
View full details