
Miniature Bearings Australia
IP-153RS - Datasheet
MBA
Category Information
Housing and Bearing Assembly - Flanged 4 Bolt - Rigid - Plastic and StainlessPlastic and Stainless Rigid Flanged 4 Bolt Housing and Bearing Assembly. Thermoplastic housed units offer an economical alternative with good chemical and washdown resistance.
- Bearing housing assemblies combine matching parts already assembled. Bearings in this range refer to either ball bearings or plain bearings. Refer to the listings for each type.
- Flanged mounting allows for a shaft to run through a bulkhead to which the housing is mounted, or to have a shaft mounted perpendicular to a metal frame.
- Food grade.
- Thermoplastic housings are off-white and are made from glass reinforced PBT resin.
- Excellent mechanical, thermal and electrical properties.
- Operational temperature -20 to +100 oC
- Bearings are 440C stainless steel. Bushings and grease fittings are 300 grade stainless steel.
Product Data
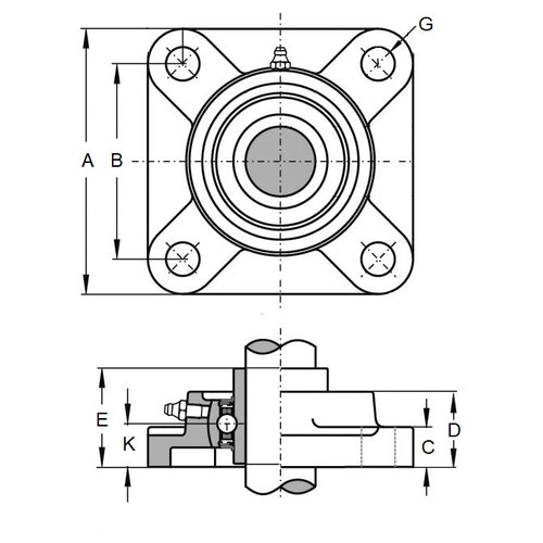
- Nominal Shaft Size
:
31.750
mm
(Equiv. 1.25 in.) - Base Height (C)
15.875
mm
(Equiv. 0.625 in.) - Length (A)
118.262
mm
(Equiv. 4.656 in.) - Overall Height (E) 41.275 mm
- Housing Height (D) 34.925 mm
- Bolt Hole Size (G) 13.097 mm
- Material Thermoplastic and Stainless Steel
Product Compliance and Data
Additional Resources


