Miniature Bearings Australia - MBA Minibearings
Miniature Bearings Australia

CC-314-349-C - Datasheet

MBA

Category Information

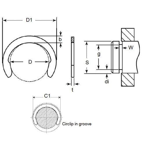
Retaining Rings - Crescent

Crescent Retaining Rings. Variation of an E-Clip with an open face. Also known as a C-Clip.

  • Narrow section height provides good clearance capabilities.
  • Absence of teeth and deep set mean less thrust load ratings than e-clips.
  • For best results install using the recommended applicator tool.

Product Data

  • Groove Diameter (G) : 31.42 mm
    (Equiv. 1.237 in.)
  • Shaft Diameter (S) 34.93 mm
    (Equiv. 1.375 in.)
  • Thickness (t) 1.27 mm
    (Equiv. 0.05 in.)
  • Clip OD in groove (C1) 40.13 mm
  • Clip OD Loose (D1) 39.50 mm
  • Groove Width (W) 1.42
  • Material Carbon Spring Steel Self Finish
Country of Origin: US

Product Compliance and Data

Additional Resources

    Cross References

    • Military 16632-137/B
    • Military 16632-137-B
    • Waldes 5103-137/B
    • Waldes 5103-137-B
    • Ellison 9103-137/B
    • Ellison 9103-137-B
    • NoCor C-137/B
    • Rotor Clip C-137/B
    • NoCor C-137-B
    • Rotor Clip C-137-B
    • N1800137/B
    • N1800-0137APP
    • N1800-137/B
    • N1800137B
    • N18000137APP
    • N1800-137-B
    • 16632137B
    • 16632137/B
    • 9103137B
    • 9103137/B
    • 5103137B
    • 5103137/B
    • C137/B
    • C137B
    View full details