
Miniature Bearings Australia
WRE-0300-LS - Datasheet
MBA
Category Information
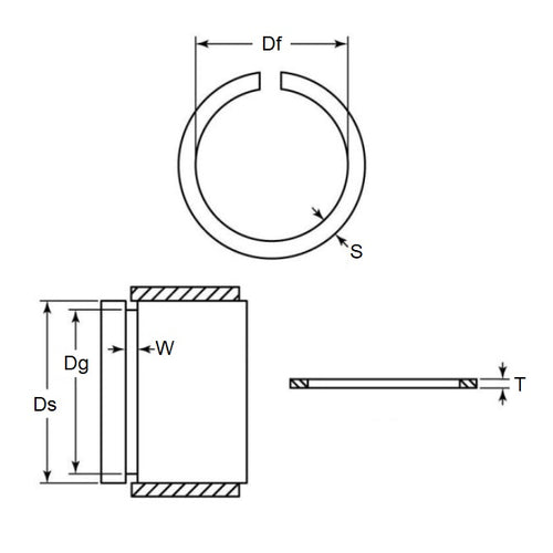
Retaining Rings - External - Snap Rings - Carbon SteelCarbon Steel Snap Rings External Retaining Rings. Includes series M3200 / SP / ESP / M2400 / SW snaprings. Similar to a circlip without the lugs.
- An expanded range may be available on special order. Please enquire.
- Carbon sping steel
- Used on the outside diameter of a bearing, shaft or similar equipment
Product Data
- Shaft or Bearing OD (d1)
:
30.00
mm
(Equiv. 1.181 in.) - Clip Thickness (T)
1.50
mm
+ 0 / - 0.10
(Equiv. 0.059 in.) - Groove Dia. (Dg)
29.00
mm
+ 0 / - 0.13
(Equiv. 1.142 in.) - Approx. Loose Circlip ID (A) 28.50 mm
- Radial Wall (S) Approx. 2.30 mm + 0 / - 0.10
- Groove Width (W) 1.60 mm
- Approx. Loose Clip OD 33.1
- Section Profile Rectangular with Square Edge
- Material Carbon Spring Steel
Product Compliance and Data
Additional Resources
Cross References
- NoCor DSW-030
- Seeger M2400-0300APP
- Seeger M2400-30
- Seeger SW30
- Seeger SW30-BLS
- NTN WR30
- DSW030
- WRE0300SQ
- M240030
- M24000300APP
- SW30BLS


