
Miniature Bearings Australia
DAK-030 - Datasheet
MBA
Category Information
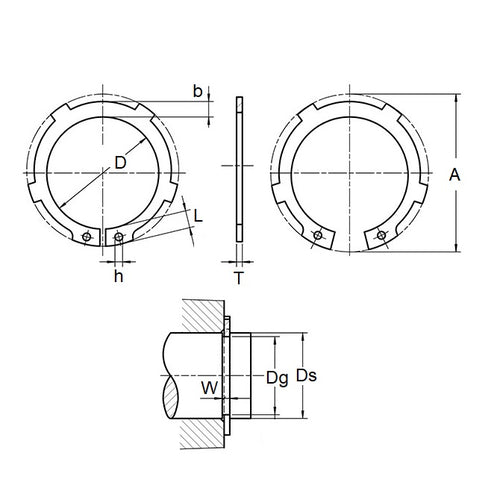
Retaining Rings - External - Circlips - TabbedTabbed Circlips External Retaining Rings. DIN 983 / D2100 / AK. Retaining rings. Snap Rings (USA).
- An expanded range may be available on special order. Please enquire.
- External tabs are concentrically positioned for positioning in a concealed assembly.
- Tabs act as spacers for securing machine components.
- Conforming to DIN 983.
Product Data
- Shaft Diameter (Ds)
:
30.00
mm
(Equiv. 1.181 in.) - Clip Thickness (T)
1.50
mm
+ 0.00 / - 0.21
(Equiv. 0.059 in.) - Groove Dia. (Dg)
28.60
mm
+ 0.00 / - 0.06
(Equiv. 1.126 in.) - Approx. Loose Circlip ID (A) 27.48 mm
- Groove Width (W) 1.60 mm
- Tool PRS-E018
- Material Carbon Steel
Product Compliance and Data
Additional Resources
Cross References
- Seeger AK30-BLS
- Seeger AK30X1.5
- AK30BLS


