
Miniature Bearings Australia
SR144A-D105-ZS-OPT - Datasheet
Myonic
Category Information
Bearings - Dental ApplicationsDental Applications Bearings. This listing shows the basic features of various bearings for dental applications.
- Bearings used in high-speed and low-speed dental handpieces play a crucial role in the performance and reliability of these dental tools.
- The purpose of bearings in dental handpieces varies depending on the speed requirements and operational characteristics of the handpiece.
- Key features of dental equipment bearings are high precision allowing for high speed rotaion, low friction and quiet operation. An expanded range may be available on special order. Please enquire.
- Please contact us for a dental application list.
Product Data
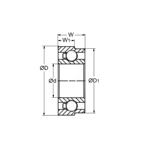
Stepped OD with ceramic balls and polyamide cage for precision dental handpieces
- ID (d)
:
3.175
mm
+ 0.000 / - 0.004
(Equiv. 0.125 in.) - OD (D)
6.350 / 5.979
mm
+ 0.000 / - 0.005
(Equiv. 0.25 in.) - Width (B)
2.779
mm
+ 0.000 / - 0.040
(Equiv. 0.109 in.) - Precision Grade Abec 7 - Optimyn Dental Bearing
- Closure Type ZS
- Bearing Type D105 Dental Special
- Lubricant Oil - Standard
- Additional Information Outer ring is stepped from 6.35mm to 5.979mm
- Material Stainless Steel AISI 440C - High Speed Torlon Retainer - Dental Special
Product Compliance and Data
Additional Resources
- Catalogue: Ceramic Bearings Catalogue
- Catalogue: Plastic Bearings Catalogue
- Catalogue: Standard Bearings Catalogue
- General: Bearing Cleanliness
- General: Bearing Clearances
- General: Bearing Flanges & Snap Rings
- General: Bearing Retainers (Cages)
- General: General Loads Information
- General: Lubrication
- General: Prefix & Suffix Guide
- General: Static vs Dynamic Loads
- Materials: 316 Stainless
- Materials: CASSTOP Anti-Corrosion Bearing Material
- Materials: Ceramic vs Ceramic Hybrid
- Materials: Ceramic Bearings in Vibratory Applications
- Materials: Ceramic Hybrid Bearings in Vibratory Applications
- Materials: General Bearing Materials
- Materials: Magnetism & Bearings
- Precision: 316 Stainless & Plastic Bearing Tolerances
- Precision: ABEC Basic Information
- Precision: Precision Bearing Tolerances
- Problem Solving: Bearing Failure
- Problem Solving: Fatigue (L10 Life)
- Problem Solving: Noise
Applications & Uses
- Dental Handpiece Parts
- Kavo - 614A - 624 - 625C - 625D - 627 - 630 - 640 FG - Bearings
- Kavo - 625B SuperTorque - Bearings
- Kavo - 630B - 630C PB SuperTorque - Bearings
- Kavo - 632D - 632E - Bearings
- Kavo - 639A Friction Grip - Bearings
- Kavo - 639B - 639C Push Button - Bearings
- Kavo - 642A FG - Bearings
- Kavo - 642B - 642C PB BellaTorque - Bearings
- MTI - Lynx - Bearings
- Siemens - TS1 / TS2 - Bearings
Cross References
- OPTIMYN-418-WI-S-PAI
- OPTIMYN418WISPAI
- SG1294X.1a-237TO
- SG1294X1a237TO
- SSG1294X1a237TO
- SSG1294X.1a-237TO


