
Miniature Bearings Australia
CCE-02400-C-V - Datasheet
MBA
Category Information
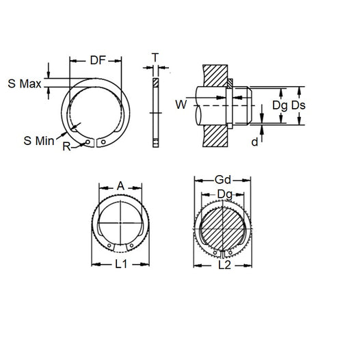
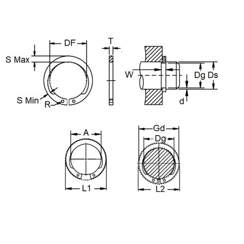
Retaining Rings - External - Circlips - InvertedInverted Circlips External Retaining Rings. N1408 / SHI / 16626 / 4100 / 5108 - Spring Steel and Stainless Steel. Retaining rings. Snap Rings (USA).
- An expanded range may be available on special order. Please enquire.
- Tapered section ring with lugs inverted on the ID to allow use in tight areas with minimal clearance.
- Less thrust load than standard circlips.
Product Data
- Shaft Diameter (Ds)
:
24.00
mm
(Equiv. 0.945 in.) - Clip Thickness (T)
1.20
mm
+ 0.00 / - 0.21
(Equiv. 0.047 in.) - Groove Dia. (Dg)
22.90
mm
+ 0.00 / - 0.06
(Equiv. 0.902 in.) - Approx. Loose Circlip ID (A) 22.20 mm
- Radial Wall (S) Approx. 3.20 mm
- Groove Width (W) 1.30 mm
- Tool PRS-E013
- Material Carbon Steel
Product Compliance and Data
Additional Resources
Cross References
- NoCor DSHI-024
- DSHI024
- M14080240
- M1408-0240


