
Miniature Bearings Australia
GM-025-D24-064-B - Datasheet
MBA
Category Information
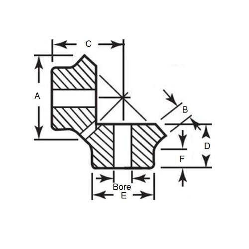
Gears - Mitre - 24DP Brass24DP Brass Mitre Gears. 1:1 Ratio. 20 Degree Pressure Angle
- An expanded range may be available on special order. Please enquire.
- Mitre gears are used with a matching gear of the same pitch and number of teeth.
- This provides a 1 to 1 ratio on a 90 Degree angle.
- See Gears - Bevel for other ratios.
Product Data
Deleted Item. Available while stocks last.
Please contact us first if you wish to use this item in a new design so we can check whether production can be resumed.
- Number of Teeth : 24
- Pitch Diameter (pd)
25.400
mm
(Equiv. 1 in.) - Bore (d)
6.350
mm
(Equiv. 0.25 in.) - Overall Length (L) 14.275 mm
- Hub Diameter (hd) 15.875 / No Set Screw mm
- Each
- Hub Projection (F) 7.14 mm
- Mounting Distance (C) 23.012 mm
- Face Width (B) 5.537 mm
- Material Brass - Commercial
Product Compliance and Data
Additional Resources
Cross References
- A1B4-Y24024
- A1B4Y24024
- A 1B 4-Y24024


