
Miniature Bearings Australia
CCE-02223-S15-V - Datasheet
MBA
Category Information
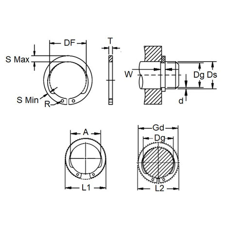
Retaining Rings - External - Circlips - InvertedInverted Circlips External Retaining Rings. N1408 / SHI / 16626 / 4100 / 5108 - Spring Steel and Stainless Steel. Retaining rings. Snap Rings (USA).
- An expanded range may be available on special order. Please enquire.
- Tapered section ring with lugs inverted on the ID to allow use in tight areas with minimal clearance.
- Less thrust load than standard circlips.
Product Data
- Shaft Diameter (Ds)
:
22.23
mm
(Equiv. 0.875 in.) - Clip Thickness (T)
1.07
mm
+/- 0.076
(Equiv. 0.042 in.) - Groove Dia. (Dg)
20.85
mm
+/- 0.051
(Equiv. 0.821 in.) - Approx. Loose Circlip ID (A) 20.57 mm
- Radial Wall (S) Approx. 1.63 mm
- Groove Width (W) 1.17 mm + 0.08 / - 0.00
- Material Stainless Steel Grade PH15-7 Mo
Product Compliance and Data
Additional Resources
Cross References
- NoCor SHI-087-SS
- N14080087KSF
- N1408-0087KSF
- SHI087SS


