
Miniature Bearings Australia
GM-020-M1-060-B - Datasheet
MBA
Category Information
Gears - Mitre - Module 1 - BrassBrass Module 1 Mitre Gears. 1:1 Ratio. 20 Degree Pressure Angle
- An expanded range may be available on special order. Please enquire.
- Mitre gears are used with a matching gear of the same pitch and number of teeth.
- This provides a 1 to 1 ratio on a 90 Degree angle.
- See Gears - Bevel for other ratios.
Product Data
Deleted Item. Available while stocks last.
Please contact us first if you wish to use this item in a new design so we can check whether production can be resumed.
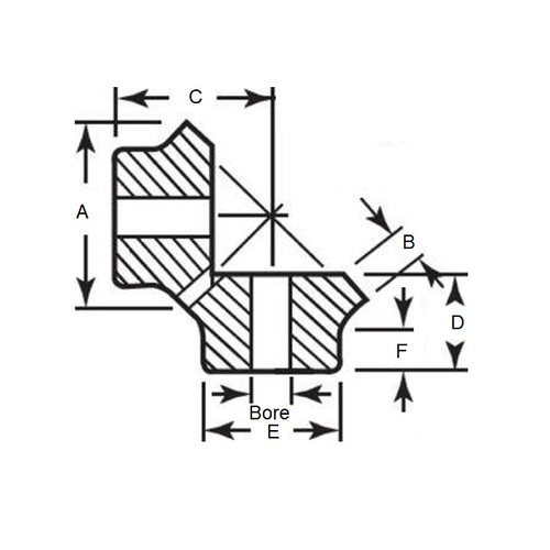
- Number of Teeth : 20
- Pitch Diameter (pd)
20.000
mm
(Equiv. 0.787 in.) - Bore (d)
6.000
mm
(Equiv. 0.236 in.) - Overall Length (L) 14.000 mm
- Hub Diameter (hd) 16.000 / No Set Screw mm
- Each
- Hub Projection (F) 8.50 mm
- Mounting Distance (C) 20.500 mm
- Face Width (B) 4.300 mm
- Material ISO 8 / Brass
Product Compliance and Data
Additional Resources
Cross References
- A1B4MYK10020


