
Miniature Bearings Australia
WRE-0200-LS - Datasheet
MBA
Category Information
Retaining Rings - External - Snap Rings - Carbon SteelCarbon Steel Snap Rings External Retaining Rings. Includes series M3200 / SP / ESP / M2400 / SW snaprings. Similar to a circlip without the lugs.
- An expanded range may be available on special order. Please enquire.
- Carbon sping steel
- Used on the outside diameter of a bearing, shaft or similar equipment
Product Data
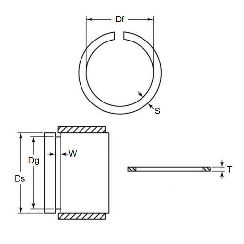
- Shaft or Bearing OD (d1)
:
20.00
mm
(Equiv. 0.787 in.) - Clip Thickness (T)
1.20
mm
+ 0 / - 0.10
(Equiv. 0.047 in.) - Groove Dia. (Dg)
19.20
mm
+ 0 / - 0.13
(Equiv. 0.756 in.) - Approx. Loose Circlip ID (A) 18.70 mm
- Radial Wall (S) Approx. 1.75 mm + 0 / - 0.10
- Groove Width (W) 1.30 mm
- Approx. Loose Clip OD 22.2
- Section Profile Rectangular with Square Edge
- Material Carbon Spring Steel
Product Compliance and Data
Additional Resources
Cross References
- NoCor DSW-020
- NoCor DSW-20
- Nachi SW20
- Seeger SW20
- Seeger SW20-BLS
- NTN WR20
- DSW020
- DSW20
- SW20BLS
- WRE0200SQ
- M24000200
- M2400-0200
- M24000200APP
- M2400-0200APP



