
Miniature Bearings Australia
CCE-01588-C-V - Datasheet
MBA
Category Information
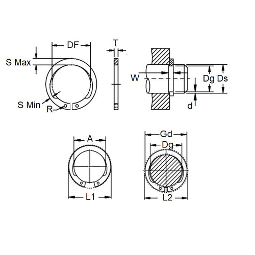
Retaining Rings - External - Circlips - InvertedInverted Circlips External Retaining Rings. N1408 / SHI / 16626 / 4100 / 5108 - Spring Steel and Stainless Steel. Retaining rings. Snap Rings (USA).
- An expanded range may be available on special order. Please enquire.
- Tapered section ring with lugs inverted on the ID to allow use in tight areas with minimal clearance.
- Less thrust load than standard circlips.
Product Data
- Shaft Diameter (Ds)
:
15.88
mm
(Equiv. 0.625 in.) - Clip Thickness (T)
1.07
mm
+/- 0.076
(Equiv. 0.042 in.) - Groove Dia. (Dg)
14.94
mm
+/- 0.051
(Equiv. 0.588 in.) - Approx. Loose Circlip ID (A) 14.71 mm
- Radial Wall (S) Approx. 1.22 mm
- Groove Width (W) 0.99 mm + 0.08 / - 0.00
- Material Carbon Steel
Product Compliance and Data
Additional Resources
Cross References
- 90213A106
- NoCor SHI-062
- N1408-0062
- N14080062
- SHI062


