
Miniature Bearings Australia
IP-125RS - Datasheet
MBA
Category Information
Housing and Bearing Assembly - Pillow Block - Thermoplastic and StainlessThermoplastic and Stainless Pillow Block Housing and Bearing Assembly. Thermoplastic housed units offer an economical alternative with good chemical and washdown resistance.
- Bearing housing assemblies combine matching parts already assembled. Bearings in this range refer to either ball bearings or plain bearings. Refer to the listings for each type.
- Pillo block type are a pedestal mounted with two bolt holes through the base.
- Food grade.
- Thermoplastic housings are off-white and are made from glass reinforced PBT resin.
- Excellent mechanical, thermal and electrical properties.
- Operational temperature -20 to +100 oC
- Bearings are 440C stainless steel. Bushings and grease fittings are 300 grade stainless steel.
Product Data
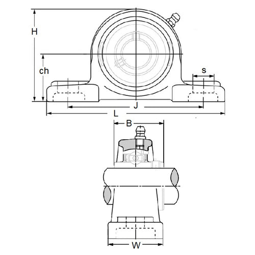
- Inside Diameter
:
15.875
mm
(Equiv. 0.625 in.) - Centre Height (A)
33.300
mm
(Equiv. 1.311 in.) - Length (B)
127.000
mm
(Equiv. 5 in.) - Width (C) 38.100 mm
- Foot Height (D) 14.275 mm
- Bolt Centres (E) 95.250 mm
- Bolt Hole Size (G) 14.275 mm
- Height (H) 65.881 mm
- K 12.700 mm
- L 18.301 mm
Product Compliance and Data
Additional Resources


