
Miniature Bearings Australia
GM-032-D12-095-C - Datasheet
MBA
Category Information
Gears - Mitre - 12DP Steel12DP Steel Mitre Gears. 1:1 Ratio. 20 Degree Pressure Angle - Carbon steel
- An expanded range may be available on special order. Please enquire.
- Mitre gears are used with a matching gear of the same pitch and number of teeth.
- This provides a 1 to 1 ratio on a 90 Degree angle.
- See Gears - Bevel for other ratios.
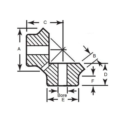
Product Data
- Number of Teeth : 15
- Pitch Diameter (pd)
31.750
mm
(Equiv. 1.25 in.) - Bore (d)
9.525
mm
(Equiv. 0.375 in.) - Overall Length (L) 21.946 mm
- Hub Diameter (hd) 25.400 mm
- Each
- Hub Projection (F) 12.700 mm
- Mounting Distance (C) 31.750 mm
- Face Width (B) 7.366 mm
- Material Steel
Product Compliance and Data
Additional Resources
Cross References
- BOSTON L125Y
- GE-125
- GE125


