
Miniature Bearings Australia
T-0150-0280-RC - Datasheet
MBA
Category Information
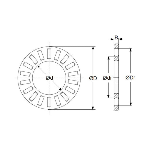
Bearings - Thrust Roller - Cage and Rollers OnlyCage and Rollers Only Thrust Roller Bearings. Washers sold separately. Match cage and roller assembly with washers from the washers category.
- Thrust roller bearings come in two parts, a caged roller bearing, and the washers sold separately.
- Some sizes have a range of washer thicknesses to choose from. Most applications will require two washers to each caged roller.
- Raceway hardness 58 HRC.
- Limiting Speeds are based on adequate oil lubrication.
- Load ratings are a guide taking into consideration ideal operating conditions.
- Dimensions given are nominal.
- Select the correct washer OD. Some washers listed here are to suit thrust ball bearings.
Product Data
- Bore (d Nom.)
:
15.00
mm
(Equiv. 0.591 in.) - OD (D Nom.)
28.00
mm
(Equiv. 1.102 in.) - Washer or Bearing Rollers and Cage
- Nom. Thickness (B Max) 2.00 mm
- Basic Dyn. Load Rating 848 kgf
- Basic Stat. Load Rating 2781 kgf
- Limiting Speed 16000 RPM
- Roller OD (Dr) 27.00
- Roller ID (dr) 17.00
- Shaft Pilot Dia. Range (d) 14.93 - 15.00 mm
- Material Carbon Steel
Product Compliance and Data
Additional Resources
- Catalogue: Ceramic Bearings Catalogue
- Catalogue: Plastic Bearings Catalogue
- Catalogue: Standard Bearings Catalogue
- General: Bearing Cleanliness
- General: Bearing Clearances
- General: Bearing Flanges & Snap Rings
- General: Bearing Retainers (Cages)
- General: General Loads Information
- General: Lubrication
- General: Prefix & Suffix Guide
- General: Static vs Dynamic Loads
- Materials: 316 Stainless
- Materials: CASSTOP Anti-Corrosion Bearing Material
- Materials: Ceramic vs Ceramic Hybrid
- Materials: Ceramic Bearings in Vibratory Applications
- Materials: Ceramic Hybrid Bearings in Vibratory Applications
- Materials: General Bearing Materials
- Materials: Magnetism & Bearings
- Precision: 316 Stainless & Plastic Bearing Tolerances
- Precision: ABEC Basic Information
- Precision: Precision Bearing Tolerances
- Problem Solving: Bearing Failure
- Problem Solving: Fatigue (L10 Life)
- Problem Solving: Noise
Cross References
- 5909K13
- Torrington AXK1528
- Torrington FNT-1528
- IKO NTB-1528
- NTB1528
- FNT1528



