
Miniature Bearings Australia
CLP-120-0568G-CZ - Datasheet
MBA
Category Information
Pins - Clevis - Groove Locking - Zinc PlatedZinc Plated Groove Locking Clevis Pins. Match with a suitable E-Clip or Circlip to suit groove size shown in listings
- Non-threaded fastener with a head on one end and a hole/groove on the other, used to connect two or more parts in a way that allows for rotation, similar to a bolt, by passing through aligned holes.
- A retaining pin, such as a cotter pin, E-clip or R-clip, is inserted into the hole/groove at the end to keep the clevis pin secured in place.
- In addition to retaining parts on a shaft or axle, clevis pins can also be used as light duty axles, spring holders or even fishing line weights.
- Sinc plated low carbon steel
- Grooved end to suit retaining clip instead of pin.
Product Data
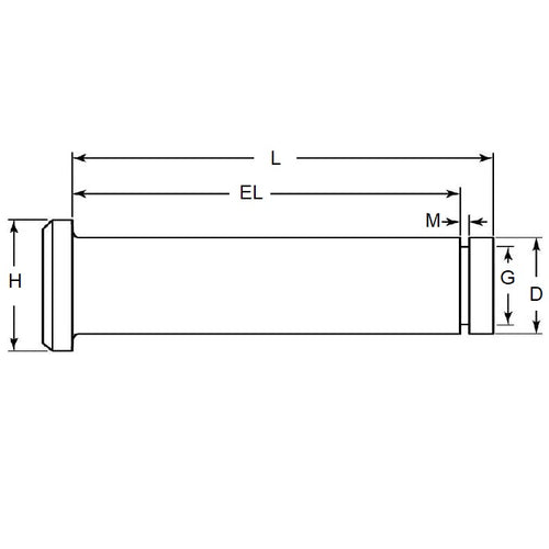
- Nom. Pin Diameter (D)
:
12.00
mm
- 0.05 / - 0.18
(Equiv. 0.472 in.) - Grip Length (EL)
56.75
mm
+ 0.51 / - 0.00
(Equiv. 2.234 in.) - Nom. Length (L)
60.00
mm
+ 0.51 / - 0.00
(Equiv. 2.362 in.) - Head Diameter (H) 20.00 mm
- Groove Diameter (G) 10.0 mm
- Groove Width (M) 1.3 mm
- Suggested E-Clip ECL-0100-0110-S15
- Material Zinc Plated Low Carbon Steel
Product Compliance and Data
Additional Resources
Cross References
- NoCor CLPGMZ-120-060
- CLPGMZ120060
- CLP1200600GZ
- CLP1200568GZ


