
Miniature Bearings Australia
PLIT-120-200-150-78-LKP-S3 - Datasheet
MBA
Category Information
Plungers - Indexing Pull Knob - Stainless and Plastic - With Locking SlotWith Locking Slot Stainless and Plastic Indexing Pull Knob Plungers. With thermoplastic knob
- Spring-loaded pin used to lock a part into a specific position.
- To use it, pull the handle or knob, which retracts the pin, allowing the part to be moved freely. When released the pin springs back into a hole, securing the part in its new position.
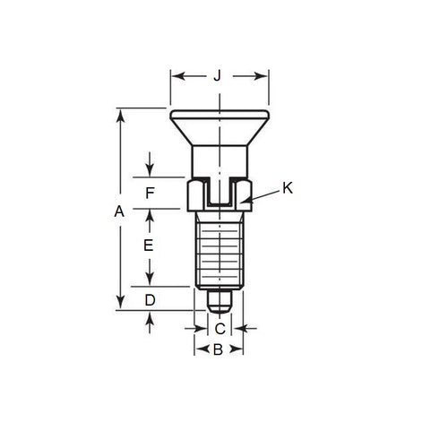
Product Data
- Thread (B) : M20 Extra Fine (20x1.5mm)
- Overall Length (A)
78.0
mm
(Equiv. 3.071 in.) - Initial End Force 1.5 N
- Final End Force 4.0 N
- Tip Diameter (C) 12.0 mm
- Tip Length (D) 12.0 mm
- Hex Height (F) 14.0 mm
- Knob Diameter (J) 33.0 mm
- Hex Size (K) 22.0
- Material Stainless Steel 303 (Similar to A2, 304, 18-8)
Product Compliance and Data
Additional Resources
Cross References
- KBP562
- KBP-562


