
Miniature Bearings Australia
PLSP-127-279-S3-080 - Datasheet
MBA
Category Information
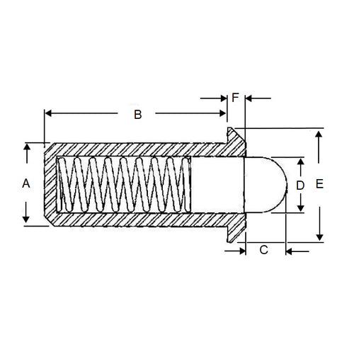
Plungers - Spring Push Fit - Stainless - Stainless NoseStainless Nose Stainless Spring Push Fit Plungers. 300 series stainless with 17-7 stainless spring
Product Data
- Body Diameter (A)
:
12.70
mm
+ 0.1 / - 0.0
(Equiv. 0.5 in.) - Body Length (B)
27.9
mm
(Equiv. 1.098 in.) - Initial Pressure (F1) 35.6 N
- Final Pressure (F2) 80.1 N
- Tip Diameter (D) 8.4 mm
- Tip Length (C) 6.4 mm
- Drive Push Fit
- Material Stainless Steel
Product Compliance and Data
Additional Resources
Cross References
- 8682A74
- Reid Tool® SPFP-60
- SPFP60


