
Miniature Bearings Australia
PLSP-127-279-C-080 - Datasheet
MBA
Category Information
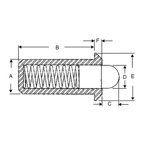
Plungers - Spring Push Fit - Steel - Steel NoseSteel Nose Steel Spring Push Fit Plungers. Steel body and steel nose
Product Data
- Body Diameter (A)
:
12.70
mm
+ 0.1 / - 0.0
(Equiv. 0.5 in.) - Body Length (B)
27.9
mm
(Equiv. 1.098 in.) - Initial Pressure (F1) 35.6 N
- Final Pressure (F2) 80.1 N
- Tip Diameter (D1) 8.4 mm
- Tip Length (C) 6.4 mm
- Drive Push Fit
- Material Steel
Product Compliance and Data
Additional Resources
Cross References
- 8683A24
- PFP60A
- PFP-60A



