
Miniature Bearings Australia
PLSP-127-287-AC-040 - Datasheet
MBA
Category Information
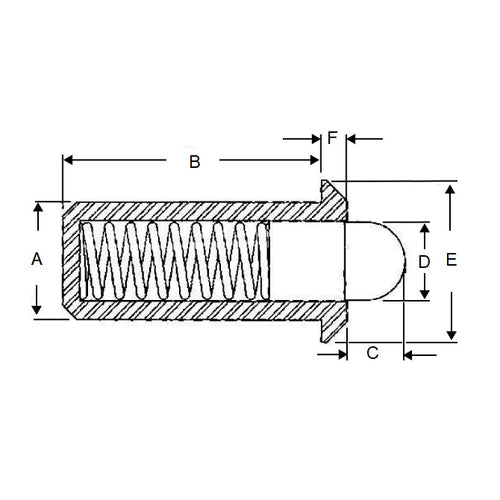
Plungers - Spring Push Fit - Steel - Acetal NoseAcetal Nose Steel Spring Push Fit Plungers. Steel body and acetal nose
Product Data
- Body Diameter (A)
:
12.70
mm
+ 0.1 / - 0.0
(Equiv. 0.5 in.) - Body Length (B)
28.7
mm
(Equiv. 1.13 in.) - Initial Pressure (F1) 17.8 N
- Final Pressure (F2) 40.0 N
- Tip Diameter (D1) 8.4 mm
- Tip Length (C) 6.4 mm
- Drive Push Fit
- Material Steel Body with Acetal
Product Compliance and Data
Additional Resources
Cross References
- 8683A27
- PFP-91
- PFP91



