
Miniature Bearings Australia
CCE-01270-C-V - Datasheet
MBA
Category Information
Retaining Rings - External - Circlips - InvertedInverted Circlips External Retaining Rings. N1408 / SHI / 16626 / 4100 / 5108 - Spring Steel and Stainless Steel. Retaining rings. Snap Rings (USA).
- An expanded range may be available on special order. Please enquire.
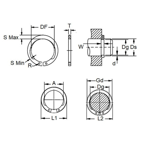
- Tapered section ring with lugs inverted on the ID to allow use in tight areas with minimal clearance.
- Less thrust load than standard circlips.
Product Data
- Shaft Diameter (Ds)
:
12.70
mm
(Equiv. 0.5 in.) - Clip Thickness (T)
0.89
mm
+/- 0.051
(Equiv. 0.035 in.) - Groove Dia. (Dg)
11.89
mm
+/- 0.051
(Equiv. 0.468 in.) - Approx. Loose Circlip ID (A) 11.71 mm
- Radial Wall (S) Approx. 1.04 mm
- Groove Width (W) 0.99 mm + 0.08 / - 0.00
- Tool PRS-E038
- Material Carbon Steel
Product Compliance and Data
Additional Resources
Cross References
- NoCor SHI-050
- N14080050
- N1408-0050
- SHI050


