
Miniature Bearings Australia
QD-L-0127 - Datasheet
MBA
Category Information
Bushings - QDQD Bushings. Used with QD type cast iron vee pulleys, timing pulleys, sprockets, poly vee pulleys and other parts designed specifically for use with a QD bushing
- Quick Disconnect (QD) bushing is a power transmission component with a split taper design that provides a strong, secure clamp on a shaft, allowing for easy installation and removal of sprockets, pulleys, and sheaves.
- Similar to a taperlock bush, but not interchangeable
- QD bushings like taperlock bushings allow for use of a single stock pulley for many applications with different shaft sizes
- Select the correct QD series to suit the pulley
Product Data
Deleted Item. Available while stocks last.
Please contact us first if you wish to use this item in a new design so we can check whether production can be resumed.
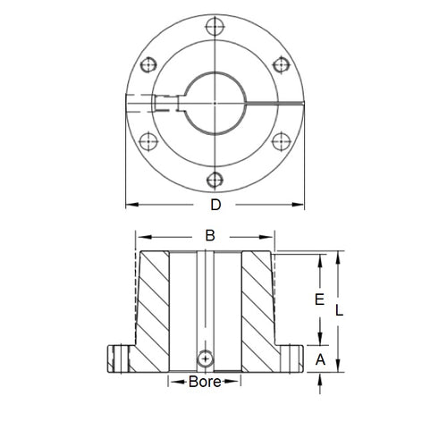
- Bore
:
12.700
mm
(Equiv. 0.5 in.) - Series L
- Flange OD (D)
63.50
mm
(Equiv. 2.5 in.) - Bolt Circle Dia. 50.80 mm
- Overall Length (L) 34.40 mm
- Bush Length (E) 25.40 mm
- Large End OD (B) 41.25 mm
- Flange Thickness (A) 9.1 mm
- Material Steel
Product Compliance and Data
Additional Resources
Cross References
- MASKA Lx1/2
- MSK-L12
- MSKL12


