
Miniature Bearings Australia
REF-127-R-CC - Datasheet
MBA
Category Information
Rod Ends - Female - Steel - Plain - StampedStamped Plain Steel Female Rod Ends. Economy stamped style combines high strength with low cost. Also known as Heim Joints
- An expanded range may be available on special order. Please enquire.
- Made from low carbon steel and plated for corrosion resistance.
- Ball is case hardened.
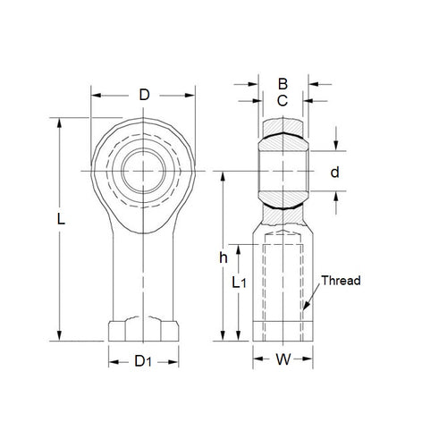
Product Data
- Eye Size (d1)
:
12.7
mm
(Equiv. 0.5 in.) - Overall Length (L)
72.64
mm
(Equiv. 2.86 in.) - Thread Size 1/2-20 UNF Right
- Thread Length (l2) 28.58 mm
- Head Width (W) 12.70 mm
- Eye Width (W1) 15.88 mm
- Head Diameter (D) 37.34 mm
- Centre Height (l1) 53.98 mm
- Body Width/Flange Width(W2/D3) 15.88 / 25.65 mm
- Material Steel Stamped
Product Compliance and Data
Additional Resources
Cross References
- ARE50
- ARE-50



