
Miniature Bearings Australia
REF-127-R-SN - Datasheet
MBA
Category Information
Rod Ends - Female - Stainless - 303 Housing and Ball and Nylon Raceway303 Housing and Ball and Nylon Raceway Stainless Female Rod Ends. Also known as Heim Joints
- An expanded range may be available on special order. Please enquire.
Product Data
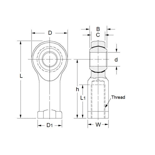
- Eye Size (d1)
:
12.700
mm
(Equiv. 0.5 in.) - Overall Length (L)
70.637
mm
(Equiv. 2.781 in.) - Thread Size 1/2-20 UNF Right
- Thread Length (l2) 30.15 mm
- Head Width (W) 12.70 mm
- Eye Width (W1) 15.88 mm
- Head Diameter (D) 33.33 mm
- Centre Height (l1) 56.20 mm
- Grease Nipple No
- Body Width/Flange Width(W2/D3) 22.23 / 19.05 mm
- Material Stainless Steel with Nylon
Product Compliance and Data
Additional Resources
Cross References
- SSPF-8
- SSPF8



