
Miniature Bearings Australia
LCHF-0127-081-TS - Datasheet
MBA
Category Information
Linear - Thomson Super Housings - FlangedFlanged Thomson Super Housings Linear. Includes Bearings.
- Provides 3 times the load capacity or 27 times the travel life of conventional linear bearings. Installed into a housing.
- Increased load capacity, self-aligning, lightweight and adjustable with a low coefficient of friction.
- Quick and easy replacement for high friction plain bearings. Wear-resistant, engineered-polymer retainers and outer sleeves reduce inertia and noise in critical, high speed applications.
Product Data
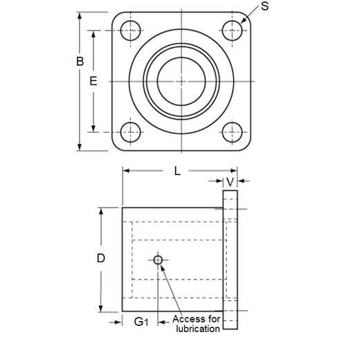
- Nominal Diameter
:
12.70
mm
(Equiv. 0.5 in.) - Flange Length and Width (B)
41.40
mm
(Equiv. 1.63 in.) - Bolt Distance and Dia. (S x E)
1/4-20 x 31.75
mm
(Equiv. 0.039 in.) - Length (L) 81.28 mm
- Width (D) 31.75 mm
- Flange Height (V) 22.86 mm
- Lube Hole Distance (G1) 37.59 mm
- Type Twin
- Dynamic Load Capacity 237 kgf
Product Compliance and Data
Additional Resources
Cross References
- TLM-820
- TLM820


