
Miniature Bearings Australia
PBC-1162RS - Datasheet
MBA
Category Information
Linear - Mini Rail Self-LubricatingMini Rail Self-Lubricating Linear. Rail Only. Carriages sold separately - match by rail width.
- Low profile self-lubricating linear guide system with one piece carriage design. Excellent alternative to linear ball bearing systems. Precision series made from RC70 ceramic coated rail with self lubricating Frelon Gold.
- Dampens vibration and tolerates shock loads. Will not rust. No metal to metal contact. No balls or rolling elements to trap contamination, skid or damage rail.
- Operation is consistent, smooth and quiet. Maintenance free. Used in packaging machines, medical equipment, wash-down and harsh environments.
Product Data
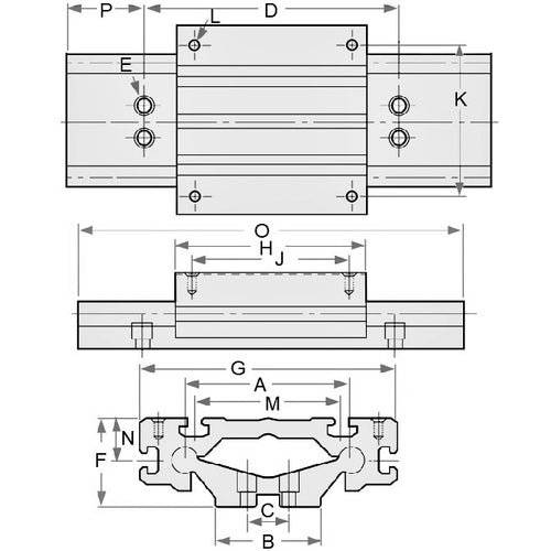
- Rail Width (A)
:
12.00
mm
(Equiv. 0.472 in.) - Running Clearance
0.025-0.051
mm
(Equiv. 0.001 in.) - Overall Height (B)
13.00
mm
(Equiv. 0.512 in.) - Rail Height (B1) 8.00 mm
- Rail Hole Size (H) 6.00 mm
- Rail Hole Size (H1) 3.50 mm
- Rail Hole Depth (H2) 3.50 mm
- L 4.60 mm
- M 6.00 mm
- Bolt for Rail End (S) 10.00 mm
- Hole Spacing (T) 25.00 mm
- Rail Length 120.00 mm
- Material Ceramic Coated RC70 with Frelon Gold
Product Compliance and Data
Additional Resources
Cross References
- Pacific MR12-120
- MR12120



