
Miniature Bearings Australia
REF-120-L-CB-N - Datasheet
MBA
Category Information
Rod Ends - Female - Steel - Plain - Bronze Lined - Ferrobal Narrow HeadFerrobal Narrow Head Bronze Lined Plain Steel Female Rod Ends. Bearing Steel, hardened, ground and chromium plated Inner ring, Heavy duty bronze with embedded bronze - PTFE fabric Outter ring. Steel/Bronze - PTFE fabric Sliding Combination. Also known as Heim Joints
- An expanded range may be available on special order. Please enquire.
- Maintenance free and no lubrication necessary.
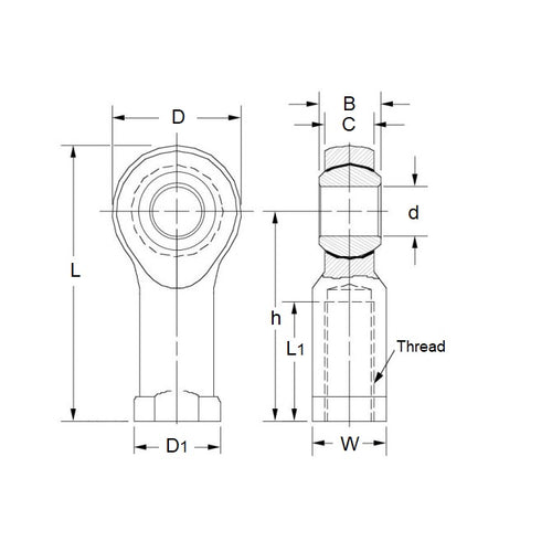
Product Data
- Eye Size
:
12
mm
(Equiv. 0.472 in.) - Overall Length
67.00
mm
(Equiv. 2.638 in.) - Thread Size M12x1.75 Left
- Thread Length 23.00 mm
- Head Width 8.00 mm
- Eye Width 10.00 mm
- Head Diameter 34.00 mm
- Centre Height 50.00 mm
- Grease Nipple No
- Body Width / Flange Width 17.50 / 22.00 mm
- Material Bronze Lined Steel
Product Compliance and Data
Additional Resources
Cross References
- 6072K54-LEFT
- 6072K54LEFT



