Miniature Bearings Australia - MBA Minibearings
Miniature Bearings Australia

QD-M-1143 - Datasheet

MBA

Category Information

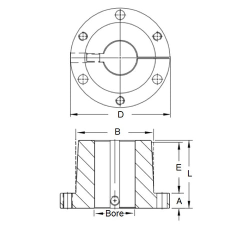
Bushings - QD

QD Bushings. Used with QD type cast iron vee pulleys, timing pulleys, sprockets, poly vee pulleys and other parts designed specifically for use with a QD bushing

  • Quick Disconnect (QD) bushing is a power transmission component with a split taper design that provides a strong, secure clamp on a shaft, allowing for easy installation and removal of sprockets, pulleys, and sheaves.
  • Similar to a taperlock bush, but not interchangeable
  • QD bushings like taperlock bushings allow for use of a single stock pulley for many applications with different shaft sizes
  • Select the correct QD series to suit the pulley

Product Data

  • Bore : 114.300 mm
    (Equiv. 4.5 in.)
  • Series M
  • Flange OD (D) 228.60 mm
    (Equiv. 9 in.)
  • Bolt Circle Dia. 200.03 mm
  • Overall Length (L) 171.45 mm
  • Bush Length (E) 139.70 mm
  • Large End OD (B) 165.10 mm
  • Flange Thickness (A) 31.75 mm
  • Material Steel
Country of Origin: US

Product Compliance and Data

Additional Resources

    Cross References

    • Martin Mx4-1-2
    • Mx412
    View full details