
Miniature Bearings Australia
REF-111-R-CT - Datasheet
MBA
Category Information
Rod Ends - Female - Steel - Plain - PTFE Lined - Tight FitTight Fit PTFE Lined Plain Steel Female Rod Ends. Imperial and Metric. Tight fit (Minimal ball clearance) / Carbon Steel. Also known as Heim Joints
- An expanded range may be available on special order. Please enquire.
- Dimensions not shown are available on request.
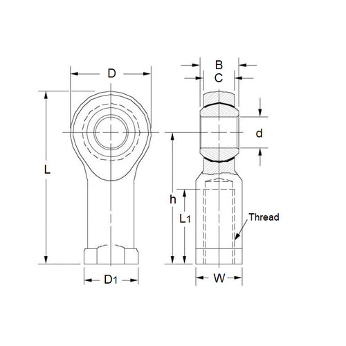
Product Data
- Eye Size (d1)
:
11.113
mm
(Equiv. 0.438 in.) - Overall Length (L)
60.33
mm
(Equiv. 2.375 in.) - Thread Size 7/16-20 UNF Right
- Thread Length (l2) 26.97 mm
- Head Width (W) 11.10 mm
- Eye Width (W1) 14.27 mm
- Head Diameter (D) 28.58 mm
- Centre Height (l1) 46.02 mm
- Body Width/Flange Width(W2/D3) 15.88 / 19.05 mm
- Material Steel PTFE Lined
Product Compliance and Data
Additional Resources
Cross References
- 2458K35-RIGHT
- KWK TFB7
- 2458K35RIGHT



