
Miniature Bearings Australia
GE-01000-02200-W300 - Datasheet
MBA
Category Information
Bushings - Spherical - PlasticPlastic Spherical Bushings. Plastic spherical plain bearings. Also known as ball bushings.
- Ball Material W300. Housing Iglidur G.
- Maintenance Free. Self lubricating.
- Compensates for axial loads and misalignment.
- Corrosion resistant.
- High vibration dampening capacity.
Product Data
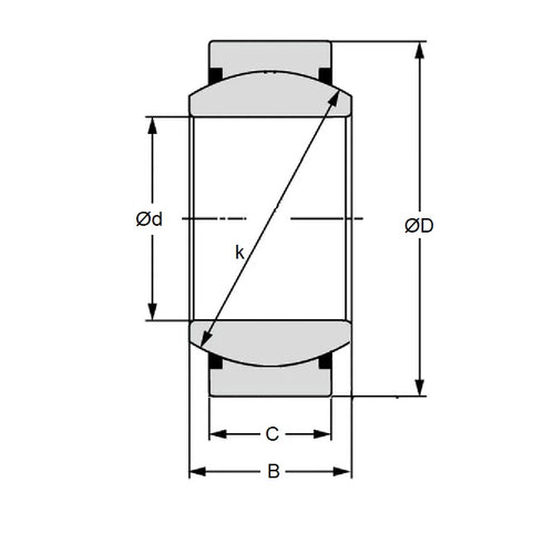
- Bore (d1)
:
10.000
mm
(Equiv. 0.394 in.) - OD (d2)
22.000
mm
(Equiv. 0.866 in.) - Width (B)
14.000
mm
(Equiv. 0.551 in.) - Outer Width (C) 10.50 mm
- Max Pivot angle 25 Deg.
- Max Torque 20.0 Nm
- Max Static Comp. str. (Radial) 3550 N
- Max Static Comp. str. (Axial) 1100 N
- Material Plastic
Product Compliance and Data
Additional Resources
Cross References
- Igus KGLM-10
- KGLM10
- I-583
- I583



