
Miniature Bearings Australia
DT-114RS - Datasheet
MBA
Category Information
Linear - Ball Slide Assembly - PrecisionPrecision Ball Slide Assembly Linear. These precision ball slides have a typical coefficient of friction of 0.003 and provide straight line accuracy of 0.0005mm per mm of travel.
- At load capacity a life of 250 million mm of travel can be expected. The expected life at half load capacity is 2.5 billion mm.
 - Factory preload adjustment prevents sideplay and backlash. Lightweight aluminium carriage and base with high load capacity.
 - Four tapped and threaded carriage holes and counterbored base holes simplify installation and component mounting.
 - Long life, self cleaning ball bearing needs no lubrication.
 - Positional repeatability 0.005mm. Clear anodised finish.
 
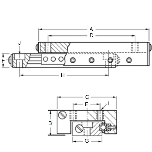
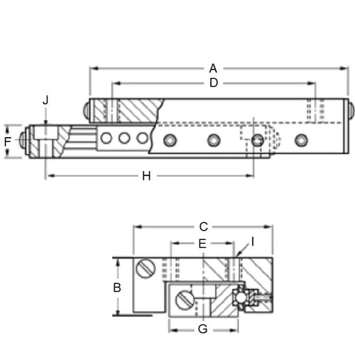
Product Data
- Travel 
:
101.600
mm
(Equiv. 4 in.) - Load Capacity 15.876 Kg
 - Carriage Length (A) 
152.400
mm
(Equiv. 6 in.) - Overall Height (B) 15.748 mm
 - Carriage Width (C) 38.100 mm
 - Carriage Bolt Centre (D) 136.525 mm
 - Carriage Bolt Centre (E) 15.875 mm
 - Rail Height (F) 8.636 mm
 - Rail Width (G) 19.050 mm
 - Rail Bolt Centres Length (H) 101.600 mm
 - Carriage Bolt Size 6-32 UNC (3.5mm)
 - Base Bolt Size 6-32 UNC (3.5mm)
 
Product Compliance and Data
Additional Resources


