
Miniature Bearings Australia
MLM-127C-152-S4-AHY1-100 - Datasheet
MBA
Category Information
Mounts - Levelling Studded - Hygienic - Anchoring - One Mounting HoleOne Mounting Hole Anchoring Hygienic Levelling Studded Mounts. Levelling adjusters. ANSI 304 stainless steel provides high corrosion resistance. Rounded polished base for fluid run-off during washdown applications.
- An expanded range may be available on special order. Please enquire.
- Operating temperature -20 to 100o C.
- Rubber base meets FDA 177-2600.
- 5o swivel for good floor contact.
Product Data
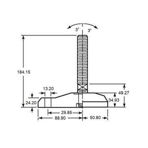
- Thread Size (A) : 1/2-13 UNC (12.7mm)
- Base Diameter (D)
100.1
mm
(Equiv. 3.941 in.) - Foot Height (C)
32.0
mm
(Equiv. 1.26 in.) - Thread Length (F) 152.4 mm
- Base Height (E) 32.0 mm
- Overall Height 184.4 mm
- Load Rating 1000 Kg
- 5
- Distance Thread to Bolt (b) 67.06 mm
- Bolt Hole Diameter (d) 16.00 mm
- Material Stainless Steel 304 (Similar to A2, 18-8) HRB80
Product Compliance and Data
Additional Resources
Cross References
- SX-92
- SX92
- MLM1010127C152S4M1
- MLM1000152127CS4M1
- MLM1000127C152S4M1


