
Miniature Bearings Australia
REF-100-L-CB-N - Datasheet
MBA
Category Information
Rod Ends - Female - Steel - Plain - Bronze Lined - Ferrobal Narrow HeadFerrobal Narrow Head Bronze Lined Plain Steel Female Rod Ends. Bearing Steel, hardened, ground and chromium plated Inner ring, Heavy duty bronze with embedded bronze - PTFE fabric Outter ring. Steel/Bronze - PTFE fabric Sliding Combination. Also known as Heim Joints
- An expanded range may be available on special order. Please enquire.
- Maintenance free and no lubrication necessary.
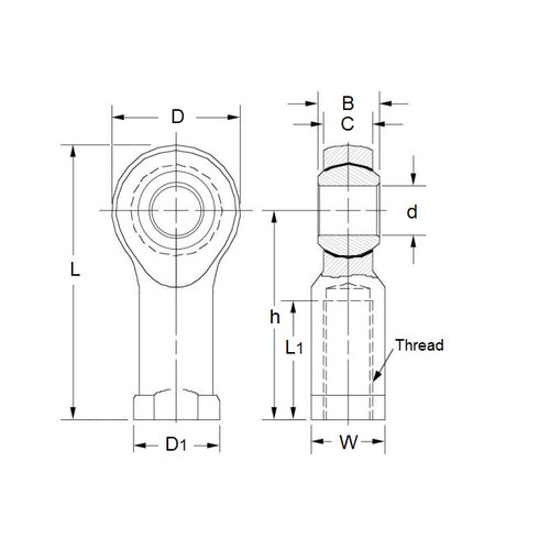
Product Data
- Eye Size
:
10
mm
(Equiv. 0.394 in.) - Overall Length
57.50
mm
(Equiv. 2.264 in.) - Thread Size M10x1.5 Left
- Thread Length 20.00 mm
- Head Width 7.00 mm
- Eye Width 9.00 mm
- Head Diameter 29.00 mm
- Centre Height 43.00 mm
- Grease Nipple No
- Body Width / Flange Width 15.00 / 19.00 mm
- Material Bronze Lined Steel
Product Compliance and Data
Additional Resources
Cross References
- 6072K53-LEFT
- 6072K53LEFT


