
Miniature Bearings Australia
PLST-127C-165-HKCLLK-018 - Datasheet
MBA
Category Information
Plungers - Spring - Knurled Handle - Locking - SteelSteel Locking Knurled Handle Spring Plungers. Items shown with Long-Lok have a dry threadlocking sealant applied to thread.
- A compact mechanical component with a spring-loaded ball or pin inside a housing that applies consistent, predictable force. Internal spring compresses when pressure is applied to the ball or pin, allowing it to settle into designated positions or recess.
- Provides a reliable holding or locating mechanism in various industrial applications where precise alignment or securing of parts is needed.
- Also known as ball plungers or spring-loaded pins.
Product Data
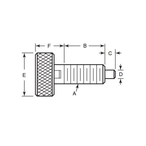
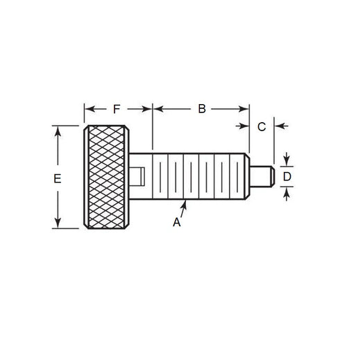
- Thread Size (A) : 1/2-13 UNC (12.7mm)
- Thread Length (B)
16.5
mm
(Equiv. 0.65 in.) - Initial Pressure (F1) 2.2 N
- Final Pressure (F2) 17.8 N
- Tip Diameter (D) 6.3 mm
- Tip Length (C) 6.4 mm
- Head Length (F) 18.5
- Additional With Locking Element
- Material Steel
Product Compliance and Data
Additional Resources
Cross References
- PHR500N
- PHR-500N


