
Miniature Bearings Australia
DS-7RS - Datasheet
MBA
Category Information
Stops - Spring - Flat Face - StandardStandard Flat Face Spring Stops. Flat faced selection.
- Spring stops are used extensively in the locating of parts in jigs and fixtures, particularly where fixture walls are not available.
- Properly radiused nose for perfect fit with no wobble.
- Plunger is case hardened low carbon steel. Aluminium body.
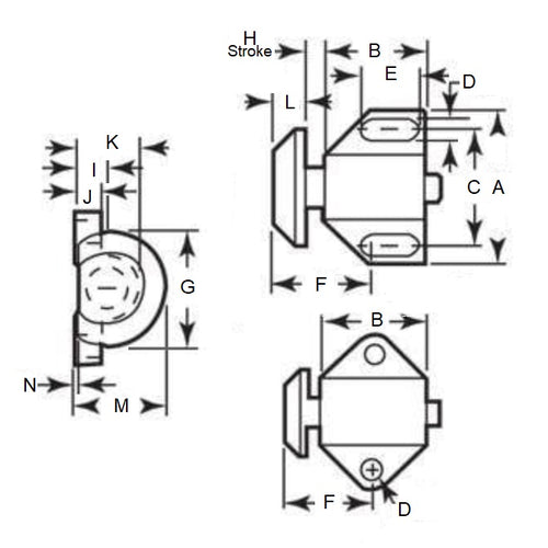
Product Data
- Initial End Force : 1.02 Kg
- Final End Force 11.68 Kg
- Stroke 
4.76
mm
 (Equiv. 0.187 in.)
- A 28.58 mm
- B 25.40 mm
- C 23.81 mm
- D 38.10 mm
- F 6.35 mm
- G 5.16 mm
- H 22.23 mm
- I / J / N / O 6.35 / 22.23 / 7.94 / 12.70 mm
- Base Style Rectangular
Product Compliance and Data
Additional Resources
 
 
 


