
Miniature Bearings Australia
SUG-500RS - Datasheet
MBA
Category Information
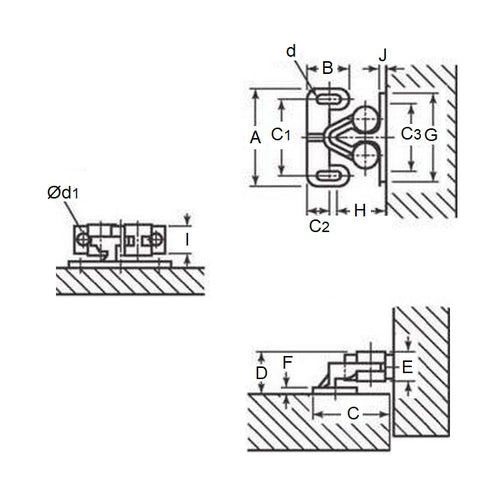
Catches - RotaryRotary Catches. Polyacetal catch and strike with polyethylene rollers. Ideal in corrosive environments.
Product Data
- Colour : White
- Catch Length (A)
39.68
mm
(Equiv. 1.562 in.) - Catch Width (B)
12
mm
(Equiv. 0.472 in.) - Overall Width (C) 21.2 mm
- Overall Height (D) 11.3 mm
- Strike Width (E) 8 mm
- F 1.98 mm
- Mounting Hole Distances (C1) 21.5 mm
- Mounting Hole Centres (C2) 6 mm
- Strike Width (G) 26 mm
Product Compliance and Data
Additional Resources


