
Miniature Bearings Australia
SS111F-0318-CZ - Datasheet
MBA
Category Information
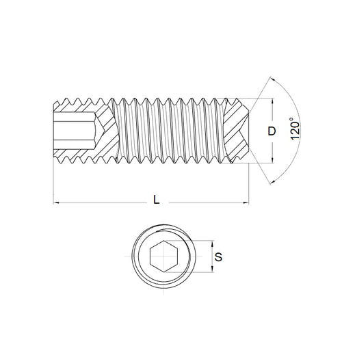
Socket Set Screws - Standard Cup Point - Zinc Plated DIN916Zinc Plated DIN916 Standard Cup Point Socket Set Screws. Standard grub screws. UNC - UNF - BA - METRIC.
- Socket driven grub screw with a standard cup point.
 
Product Data
- Thread Size : 7/16-20 UNF (11.11mm)
 - Thread Length (L) 
31.8
mm
(Equiv. 1.252 in.) - Type Standard Cup Point
 - Pitch 1.270 mm
 - Threads Per Inch 20 TPI
 - Finish Zinc Plated
 - Material Carbon Steel
 
Product Compliance and Data
Additional Resources
- Screws & Nuts Catalogue
 - Shoulder Screws Catalogue
 - Socket Set (Grub) Screws Catalogue
 - Thumb Screws & Thumb Nuts Catalogue
 - Thread Size Chart - Combined Imperial & Metric
 
Cross References
- Brighton Best 7-16FX1.1-4ASCZ
 - 716FX114ASCZ
 


