
Miniature Bearings Australia
SS015F-0016-AS - Datasheet
MBA
Category Information
Socket Set Screws - Standard Cup Point - Alloy Steel DIN916Alloy Steel DIN916 Standard Cup Point Socket Set Screws. Standard grub screws. UNC - UNF - BA - METRIC.
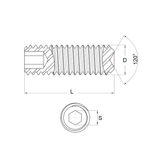
- Socket driven grub screw with a standard cup point.
Product Data
- Thread Size : 0-80 UNF (1.52mm)
- Thread Length (L) 
1.6
mm
 (Equiv. 0.063 in.)
- Type Standard Cup Point
- Hex Key Size 0.70 mm
- Pitch 0.318 mm
- Threads Per Inch 80 TPI
- Finish Hardened, Black Oxide Coated
- Material Carbon Steel - Hardened GD14.9
Product Compliance and Data
Additional Resources
- Screws & Nuts Catalogue
- Shoulder Screws Catalogue
- Socket Set (Grub) Screws Catalogue
- Thumb Screws & Thumb Nuts Catalogue
- Thread Size Chart - Combined Imperial & Metric
Cross References
- 91375A050
- Small Parts SSAS-080-1
- SSAS0801
- A9Q17008002
- A9Q17-008002
 
 
 


