
Miniature Bearings Australia
SS095F-0381-S6 - Datasheet
MBA
Category Information
Socket Set Screws - Standard Cup Point - 316 Stainless Steel DIN916316 Stainless Steel DIN916 Standard Cup Point Socket Set Screws. Standard grub screws. UNC - UNF - BA - METRIC.
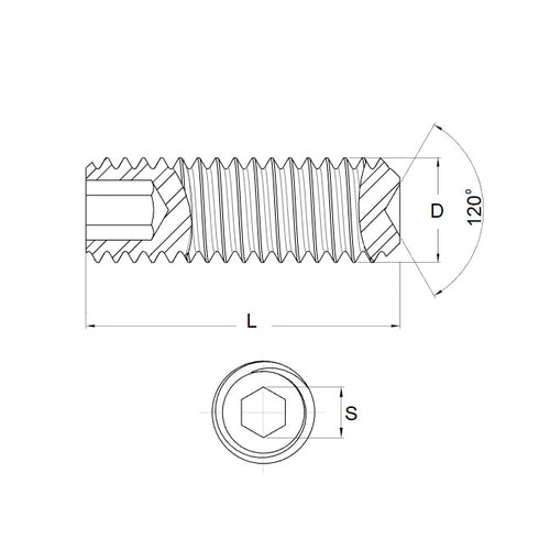
- Socket driven grub screw with a standard cup point.
 
Product Data
- Thread Size : 3/8-24 UNF (9.53mm)
 - Thread Length (L) 
38.1
mm
(Equiv. 1.5 in.) - Type Standard Cup Point
 - Hex Key Size 4.76 mm (3/16)
 - Pitch 1.058 mm
 - Threads Per Inch 24 TPI
 - Material Stainless Steel 316 (Similar to A4, 18-10)
 
Product Compliance and Data
Additional Resources
- Screws & Nuts Catalogue
 - Shoulder Screws Catalogue
 - Socket Set (Grub) Screws Catalogue
 - Thumb Screws & Thumb Nuts Catalogue
 - Thread Size Chart - Combined Imperial & Metric
 
Cross References
- Brighton Best 3-8Fx1.1-2SSC6
 - 38Fx112SSC6
 


