
Miniature Bearings Australia
SS040M-0300-S6 - Datasheet
MBA
Category Information
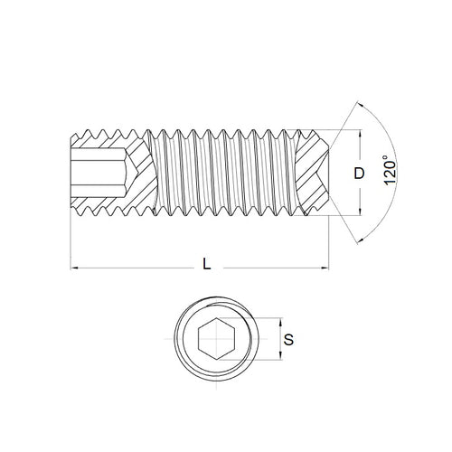
Socket Set Screws - Standard Cup Point - 316 Stainless Steel DIN916316 Stainless Steel DIN916 Standard Cup Point Socket Set Screws. Standard grub screws. UNC - UNF - BA - METRIC.
- Socket driven grub screw with a standard cup point.
Product Data
- Thread Size : M4 (4x0.7mm)
- Thread Length (L)
30.0
mm
(Equiv. 1.181 in.) - Type Standard Cup Point
- Hex Key Size 2.00 mm
- Pitch 0.700 mm
- Threads Per Inch 36.29 TPI
- Material Stainless Steel 316 (Similar to A4, 18-10)
Product Compliance and Data
Additional Resources
- Screws & Nuts Catalogue
- Shoulder Screws Catalogue
- Socket Set (Grub) Screws Catalogue
- Thumb Screws & Thumb Nuts Catalogue
- Thread Size Chart - Combined Imperial & Metric
Cross References
- 92029A160
- Brighton Best M4x30SSC6


