
Miniature Bearings Australia
SS048C-0254-S6 - Datasheet
MBA
Category Information
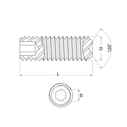
Socket Set Screws - Standard Cup Point - 316 Stainless Steel DIN916316 Stainless Steel DIN916 Standard Cup Point Socket Set Screws. Standard grub screws. UNC - UNF - BA - METRIC.
- Socket driven grub screw with a standard cup point.
 
Product Data
- Thread Size : 10-24 UNC (4.76mm)
 - Thread Length (L) 
25.4
mm
(Equiv. 1 in.) - Type Standard Cup Point
 - Hex Key Size 2.38 mm (3/32)
 - Pitch 1.058 mm
 - Threads Per Inch 24 TPI
 - Material Stainless Steel 316 (Similar to A4, 18-10)
 
Product Compliance and Data
Additional Resources
- Screws & Nuts Catalogue
 - Shoulder Screws Catalogue
 - Socket Set (Grub) Screws Catalogue
 - Thumb Screws & Thumb Nuts Catalogue
 - Thread Size Chart - Combined Imperial & Metric
 
Cross References
- Brighton Best 10-24Cx1SSC6
 - 92313A254
 - 1024Cx1SSC6
 


