
Miniature Bearings Australia
SS020M-0025-S6 - Datasheet
MBA
Category Information
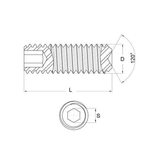
Socket Set Screws - Standard Cup Point - 316 Stainless Steel DIN916316 Stainless Steel DIN916 Standard Cup Point Socket Set Screws. Standard grub screws. UNC - UNF - BA - METRIC.
- Socket driven grub screw with a standard cup point.
Product Data
- Thread Size : M2 (2x0.4mm)
- Thread Length (L)
2.5
mm
(Equiv. 0.098 in.) - Type Standard Cup Point
- Hex Key Size 0.90 mm
- Pitch 0.400 mm
- Threads Per Inch 63.5 TPI
- Material Stainless Steel 316 (Similar to A4, 18-10)
Product Compliance and Data
Additional Resources
- Screws & Nuts Catalogue
- Shoulder Screws Catalogue
- Socket Set (Grub) Screws Catalogue
- Thumb Screws & Thumb Nuts Catalogue
- Thread Size Chart - Combined Imperial & Metric
Cross References
- Brighton Best M2x2.5SSC6


