
Miniature Bearings Australia
SS127F-0191-S6 - Datasheet
MBA
Category Information
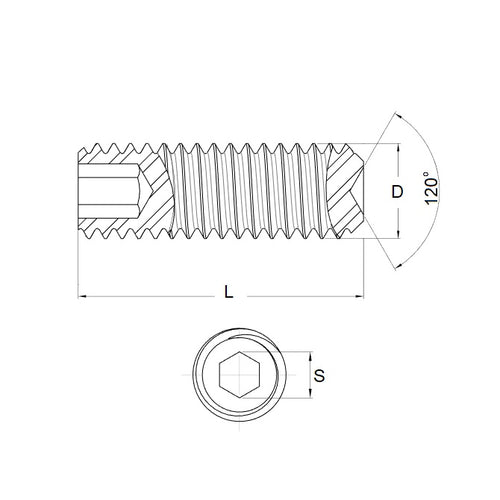
Socket Set Screws - Standard Cup Point - 316 Stainless Steel DIN916316 Stainless Steel DIN916 Standard Cup Point Socket Set Screws. Standard grub screws. UNC - UNF - BA - METRIC.
- Socket driven grub screw with a standard cup point.
Product Data
- Thread Size : 1/2-20 UNF (12.7mm)
- Thread Length (L)
19.1
mm
(Equiv. 0.752 in.) - Type Standard Cup Point
- Hex Key Size 6.35 mm (1/4)
- Pitch 1.270 mm
- Threads Per Inch 20 TPI
- Material Stainless Steel 316 (Similar to A4, 18-10)
Product Compliance and Data
Additional Resources
- Screws & Nuts Catalogue
- Shoulder Screws Catalogue
- Socket Set (Grub) Screws Catalogue
- Thumb Screws & Thumb Nuts Catalogue
- Thread Size Chart - Combined Imperial & Metric
Cross References
- Brighton Best 1-2Fx3-4SSC6
- 92313A427
- 12Fx34SSC6


