
Miniature Bearings Australia
SS079F-0127-S6 - Datasheet
MBA
Category Information
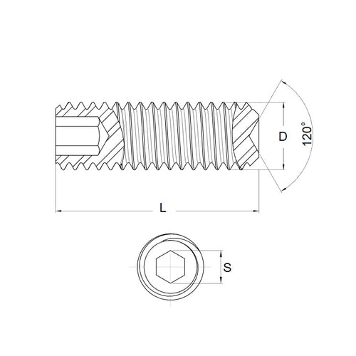
Socket Set Screws - Standard Cup Point - 316 Stainless Steel DIN916316 Stainless Steel DIN916 Standard Cup Point Socket Set Screws. Standard grub screws. UNC - UNF - BA - METRIC.
- Socket driven grub screw with a standard cup point.
Product Data
- Thread Size : 5/16-24 UNF (7.94mm)
- Thread Length (L)
12.7
mm
(Equiv. 0.5 in.) - Type Standard Cup Point
- Hex Key Size 3.97 mm (5/32)
- Pitch 1.058 mm
- Threads Per Inch 24 TPI
- Material Stainless Steel 316 (Similar to A4, 18-10)
Product Compliance and Data
Additional Resources
- Screws & Nuts Catalogue
- Shoulder Screws Catalogue
- Socket Set (Grub) Screws Catalogue
- Thumb Screws & Thumb Nuts Catalogue
- Thread Size Chart - Combined Imperial & Metric
Cross References
- Brighton Best 5-16Fx1-2SSC6
- 92313A415
- 516Fx12SSC6


