
Miniature Bearings Australia
DVWS0-POL - Datasheet
MBA
Category Information
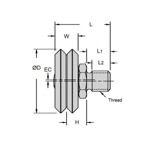
Dual Vee - Studded Guide WheelsStudded Guide Wheels Dual Vee. Vee grooved track roller guide wheels.
- An expanded range may be available on special order. Please enquire.
- Match with correct Track Size.
- Note! OD is reference only. Allow up to 1.2 mm larger than listed.
Product Data
- Size Reference : 0
- Outside Diameter (O.D) 
14.8
mm
 (Equiv. 0.583 in.)
- Journal Width (W) 
6.35
mm
 (Equiv. 0.25 in.)
- Overall Length (L) 17.0 mm
- Wheel Type Stationary
- Offset Value (EC) 0.81 mm
- Static Load (Radial / Axial) 3 / - kg
- Thread Size x Length (l2) M6 x 1.0 x 7.6
- Material Polymer
Product Compliance and Data
Additional Resources
Cross References
- WZ420
- WZ-420
 
 
 


