
Miniature Bearings Australia
0R-0060-0300-P02-CS5-T12 - Datasheet
ENQUIRE
Category Information
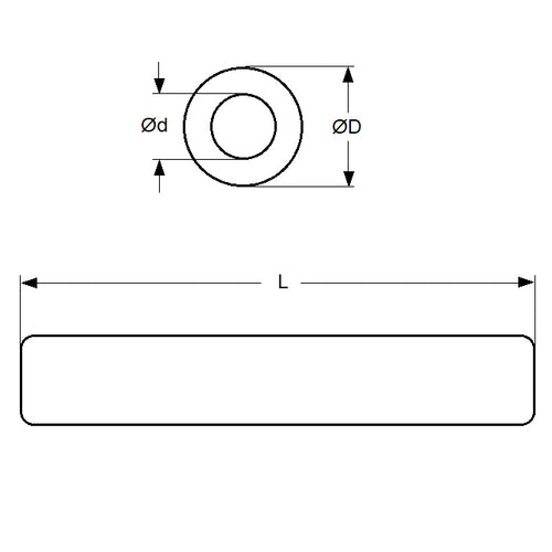
Shafting - Pipe - SteelSteel Pipe Shafting.
- AISI 52100 Steel Hardened to HRC 58-62 Hollow Shaft
- Straightness 0.0003 mm / mm.
- Ideal for design weight reduction.
- Note! ID of pipe shaft may be up to 1mm undersize.
- Other lengths may be available on request however a surcharge for special sizing will apply and extended delivery times can be expected (if available).
Product Data
- OD (D)
:
6.000
mm
- 0.004 / - 0.012
(Equiv. 0.236 in.) - Nominal ID (d)
2.00
mm
(Equiv. 0.079 in.) - Length (L)
300
mm
(Equiv. 11.811 in.) - Case Depth 1.0 mm
- -0.004/-0.012
- Material AISI52100 Steel
Product Compliance and Data
Additional Resources
Cross References
- S40LPSM02060300


