
Miniature Bearings Australia
0R-0508-0914-P31-CS5-T29 - Datasheet
MBA
Category Information
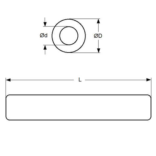
Shafting - Pipe - SteelSteel Pipe Shafting.
- AISI 52100 Steel Hardened to HRC 58-62 Hollow Shaft
- Straightness 0.0003 mm / mm.
- Ideal for design weight reduction.
- Note! ID of pipe shaft may be up to 1mm undersize.
- Other lengths may be available on request however a surcharge for special sizing will apply and extended delivery times can be expected (if available).
Product Data
- OD (D)
:
50.800
mm
- 0.010 / - 0.029
(Equiv. 2 in.) - Nominal ID (d)
31.75
mm
(Equiv. 1.25 in.) - Length (L)
914.4
mm
(Equiv. 36 in.) - Case Depth 2.54 mm
- -0.015/-0.033
- Material AISI52100 Steel
Product Compliance and Data
Additional Resources
Cross References
- QBC TQS2TUL-36
- TQS2TUL36


