
Miniature Bearings Australia
0R-0191-0914-P11-CS5-T20 - Datasheet
MBA
Category Information
Shafting - Pipe - SteelSteel Pipe Shafting.
- AISI 52100 Steel Hardened to HRC 58-62 Hollow Shaft
- Straightness 0.0003 mm / mm.
- Ideal for design weight reduction.
- Note! ID of pipe shaft may be up to 1mm undersize.
- Other lengths may be available on request however a surcharge for special sizing will apply and extended delivery times can be expected (if available).
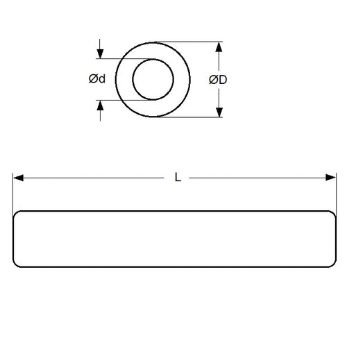
Product Data
- OD (D)
:
19.050
mm
- 0.007 / - 0.020
(Equiv. 0.75 in.) - Nominal ID (d)
11.13
mm
(Equiv. 0.438 in.) - Length (L)
914.4
mm
(Equiv. 36 in.) - Case Depth 1.52 mm
- -0.013/-0.025
- Material AISI52100 Steel
Product Compliance and Data
Additional Resources
Cross References
- QBC TQS3-4TUL-36
- TQS3/4TUL36
- TQS3/4TUL-36
- TQS34TUL36


